Rebites do Tipo Trevo
Corpo de Alumínio - Mandril Aço Carbono
Como especificar os Rebites POP® do tipo Trevo.
Exemplo:
PAD 685-S
| P | A | D | 6 | 85 | S | |
| Tipo do Rebite |
Material do Corpo |
Tipo da Aba |
Série | Diâmetro Nominal (mm) |
Comprimento do Corpo |
Material do Mandril |
| P = Trevo | A = Alumínio | D = Abaulada | 4 5 6 |
3,2 (1/8") 4,0 (5/32") 4,8 (3/16") |
0,85 x 25,4 = 21,60 | S = Carbono |


| Série | Diâm. Nominal |
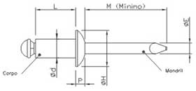
Código POP | L+0,4/-0,1 Comp. Do Rebite |
G Espessura Rebitável |
Ød (corpo) Montado |
ØD Furo (broca) |
ØH Diâm. Da Aba |
P+-0,1 Espessura da Aba |
ØE Diâm.Mandril Nominal |
M Comp.do Mandril |
Carga mínima de Ruptura |
|
| (T) Tração | (C) Cisalhamento | |||||||||||
| (mm) | (mm) | (mm) | (mm) | (mm) | (mm) | (mm) | (mm) | (mm) | (kgf) | (kgf) | ||
| 4 | 3,2 (1,8") |
PAD450-S PAD470-S |
12,7 17,8 |
3,0 - 8,0 8,1 - 12,8 |
3,14 - 3,28 | 3,4 - 3,6 | 6,1 - 6,5 | 0,9 | 1,83 | 25,4 | *N/A | *N/A |
| 5 | 4 (5/32") |
PAD540-S PAD565-S |
10,2 16,5 |
2,5 - 5,5 5,6 - 10,5 |
3,93 - 4,08 | 4,2 - 4,5 | 7,7 - 8,1 | 1,2 | 2,28 | 27,0 | *N/A | *N/A |
| 6 | 4,8 (3/16") |
PAD650-S PAD665-S PAD685-S PAD6100-S |
12,7 16,5 21,6 25,4 |
3,6 - 7,2 7,3 - 11,1 11,2 - 16,0 16,1 - 19,8 |
4,72 - 4,88 | 5,0 - 5,3 | 9,2 - 9,7 | 1,4 | 2,64 | 27,0 | *N/A | *N/A |
Para que toda a tabela seja impressa em uma única página selecione a opção paisagem na janela de impressão da sua impressora.